首都医科大学附属北京潞河医院简介 首都医科大学附属北京潞河医院始建于1878年,迄今已有148年历史,现为区域急危重症救治中心、疑难疾病诊治中心、区域医学教育中心和医学科研及防病中心。经过一个多世纪的发展,医院已经成为集医疗、… 详细>>
公交车:312路、317路、372路、809路、810路、991路、通州1路、通州4路、通州6路、通州7路、通州10路、通州13路、通州14路在潞河医院站下车即到
轻轨:八通线通州北苑站、九棵树站下车乘坐公交车潞河医院站下车即到
一 概述消化道出血是临床常见症候群,可由多种疾病所致。消化道是指… [更多]
一 概述支气管哮喘是由多种细胞(如嗜酸性粒细胞、肥大细胞、T淋巴细… [更多]
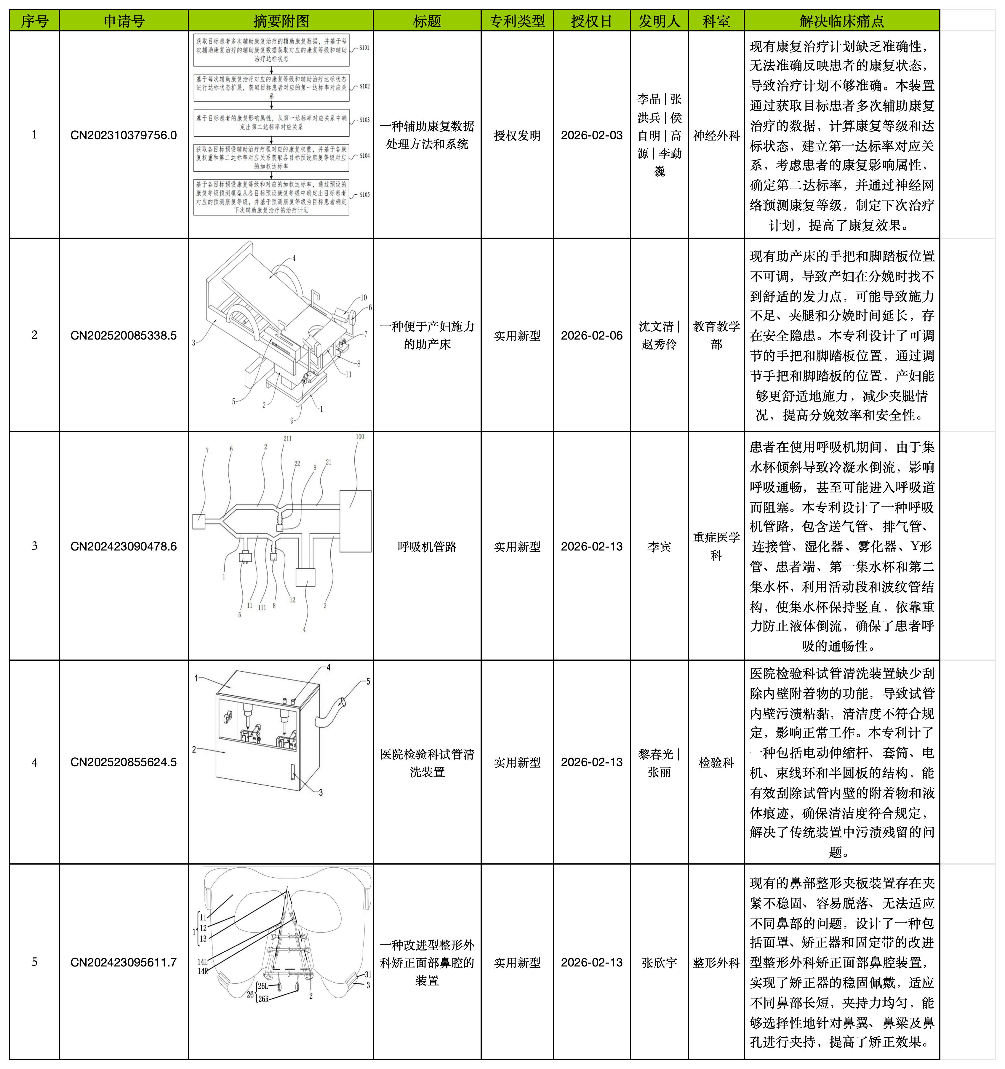
授权专利
公示公告
第三方服务
下一篇: 首都医科大学附属北京潞河医院2026年1月份…